SL+FK so zrkadlenim
SL-FK so zrkadlom.pdf (47,9 kB) - program
Zrcadlení Model (1).pdf (5,1 kB) - skica
![]()
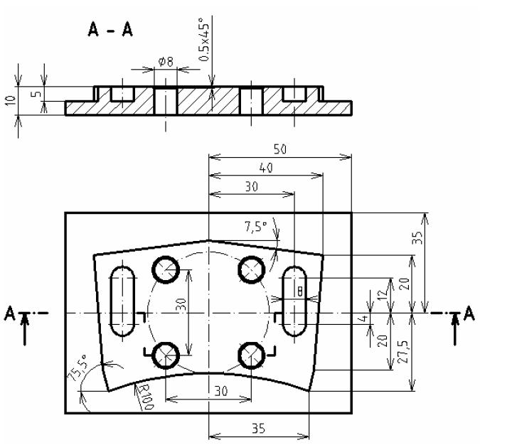
Spirala s korekciou nastroja
spirala Q-param c skica.pdf (7,7 kB) - skica
spirala Q-param c.pdf (51,9 kB) - program
spirala Q-param c.jpg (424,3 kB) - obrazok
![]()
Podprogram v podprograme
Tu sú príklady vnorovania podprogramov
LBL v LBL.h (1,6 kB) - 1. možnosť
LBL v LBL b.h (1,3 kB) - 2. možnosť
LBL v LBL Model (1).pdf (8,9 kB) - skica
Malý návod na vytvorenie prvého jednoduchého programu .
Tento návod je určený pre tých , ktorý sa prvýkrát stretávajú so systémom
Heidenhain iTNC 530.
Zaciatok programovania. pdf (1,1 MB) - návod
Test.h (3,5 kB) - program
Test.dwg (90,3 kB) - skica
Test Model (1).pdf (10,2 kB) - skica
![]()
Program podľa skice ( základy )
4b.H (3,8 kB) - program
vse.dwg (95 kB) - skica DWG
vse Model (1).pdf (10,5 kB) - skica PDF
![]()
Jednoduchý program naklápania vretena na vŕtanie dier , vyrobené na 5-osom stroji DMU 60T .
Už aj s návodom na programovanie 5-tich osí .
MSP-07-9B.H (2,8 kB) - program
MSP-07-9B.dwg (85,5 kB) - výkres DWG
MSP-07-9B.jpg (662,3 kB) - výkres JPG
Návod na vŕtanie dier na 5.pdf (840,9 kB) - návod PDF
![]()
šikmé diery na 5-oske
sikme diery.h (2,4 kB) - program
sikme diery.dwg (108,4 kB) - skica
sikme diery Model (1).pdf (20,4 kB) - skica
![]()
Riadkovanie cez Q-parametre .
Kuzel R+R2 frezou.H (1,5 kB) - program
Kuzel R+R2 frezou.dwg (67,2 kB) - skica
Radius R+R2-frezou.H (1,4 kB) - program
Radius R+R2 frezou.dwg (68,1 kB) - skica
R5 v Y-e.h (1,5 kB) - program
R5 v Y-e.dwg (94,7 kB) - skica
R5 v Y-e Model (1).pdf (11,1 kB) - skica
R na obvode SL-cyklom.h (1,4 kB) - program
R10 na obvode.dwg (103,7 kB) - skica
R10 na obvode Model (1).pdf (7,7 kB) - skica
![]()
N-uholník cez Q-parametre
Týmto programom sa dá vytvoriť rôzny " N-hran " s možnosťou použitia korekcie nástroja .
N-uholnik.txt (3 kB) - program
N-uholnik.dwg (94 kB) - skica DWG
N-uholnik Model (1).pdf (32,5 kB) - skica PDF
![]()
Ukážky FK-programov .
P 746-01-04.H (2 kB) - program
P 746-01-04.dwg (101,9 kB) - skica
Ozub koleso 19z.h (1,1 kB) - program
Ozubene kolo FK.dwg (135,8 kB) - skica
![]()
Parametricky programované ozubené koleso vytvorené v spolupráci s :
www.catia-forum.cz/
Program Q19.H je vyvolaný v prvom - hlavnom programe . Aby sa to
zmestilo do simulátora :-) .
Param ozub kolo.H (3,7 kB) - hlavný program
Q19.H (2,4 kB) - volaný program
Param ozub kolo.dwg (91,2 kB) - skica
![]()
FK+SL program
Malý program na tvorbu SL-cyklov v spojení s FK-programovaním .
Už aj s malým PDF-návodom postupu .
FK+SL.H (1,2 kB) - program
FK+SL 01 Model (1).pdf (5,5 kB) - skica PDF
FK+SL 01.dwg (87,5 kB) - skica DWG
SL-FK.pdf (512,5 kB) - návod
![]()
Program podĽa skice ( SL-cykly )
SL-cykly.H (1,5 kB) - program
SL cykly.dwg (97,3 kB) - skica DWG
SL cykly Model (1).pdf (7,4 kB) - skica PDF
![]()
Srdce 3D s gravírovaním mena
Srdce 3D.H (3,2 kB) - hlavný PGM
Srdce 3D.dwg (88,8 kB) - skica DWG
Srdce.pdf (14,3 kB) - skica PDF
Poznámka : V demo - simulátore vám nepôjde gravirovanie , pre veľkosť
programov na gravirovanie , ktoré tu nie sú .
Vylomítkujte - vymažte gravírovanie . ( veta 45 az 49 )
![]()
Použitie funkcie M128.
Drazky M128-ckou.H (2 kB) - program
Drazky M128-ckou.dwg (86,8 kB) - skica
foto 01.jpg (509 kB) - obrázky
![]()
použitie funkcie m128
uhly na polkruhu M128.H (1,9 kB) - program
uhly na polkruhu M128-ckou.dwg (81,3 kB) - skica DWG
uhly na polkruhu M128-ckou Model (1).pdf (4,4 kB) - skica PDF
![]()
PouŽitie funkcie m128 - drážka r5 po obvode
Drazka R5 M128-ckou.H (937 B) - program
Drazka R5 M128-ckou.dwg (100 kB) - skica DWG
Drazka R5 M128-ckou Model (1).pdf (12,8 kB) - skica PDF
Drazka M128-ckou.jpg (757,7 kB) - obrázok
Drazka M128-ckou.CATPart (240,3 kB) - model
![]()
Riadkovanie polgule R50
S týto programom sa dá vyriadkovať rôzna polguľa s rôznou frézou .
Je tam hrubovanie a dokončenie .
R50 polgula.h (1,9 kB) - program
R50 polgula.dwg (90,5 kB) - skica DWG
R50 polgula Model (1).pdf (29,4 kB) - skica PDF
